
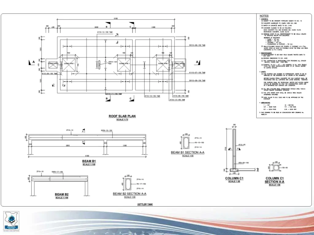
Understanding Settler Technical Specifications and Importance of Levels
Explore the technical specifications and requirements of settlers, the importance of levels, and different examples of settler designs. Learn about inlet and outlet chambers, bypass pipes, and more. Gain insights into the functions and features of settlers in various applications.
Download Presentation

Please find below an Image/Link to download the presentation.
The content on the website is provided AS IS for your information and personal use only. It may not be sold, licensed, or shared on other websites without obtaining consent from the author. If you encounter any issues during the download, it is possible that the publisher has removed the file from their server.
You are allowed to download the files provided on this website for personal or commercial use, subject to the condition that they are used lawfully. All files are the property of their respective owners.
The content on the website is provided AS IS for your information and personal use only. It may not be sold, licensed, or shared on other websites without obtaining consent from the author.
E N D
Presentation Transcript
SETTLER TECHNICAL SPECIFICATION AND REQUIREMENTS 1
INLET AND OUTLET CHAMBER Bypass pipe Outlet pipe Inlet pipe Inlet pipe Bypass pipe Outlet pipe 8/23/2025 5